1. HOME
  2. SDU-W  <複合鋼板耐震壁>
  3. ダウンロード

SDU-W <複合鋼板耐震壁>

大壁割付表

割付図 A(横架材間の
垂直距離)
SDU-W 数量(枚) SDU-C 数量(本)
2825〜3025 910x910 3 910x260 2
2625〜2825 910x910 3 910x160 2
2515〜2625 910x910重ね 3
2395〜2595 910x910 2
  910x680 1
2285〜2395 910x910重ね 2
  910x680重ね 1
2165〜2365 910x910 1
  910x680 2
1935〜2135 910x680 3
1815〜1915 910x910 2 910x260 1
1715〜1815 910x910 2 910x160 1

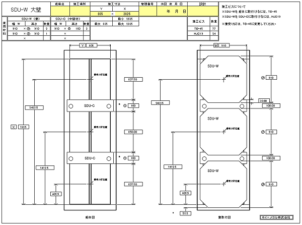
SDU-W 大壁用配置計算ツール

国土交通大臣認定 標準品 大壁計算ツール
SDU-W 910×910 3枚、SDU-C 910×160 2枚 の割付計算ツール
Y:最大値835
X:最小値2625、最大値2825

大壁910×680使用の計算ツール
SDU-W 910×910 2枚、910×680 1枚
SDU-C 910×160 2枚の割付計算ツール
Y:最大値835
X:最小値2395、最大値2595

<使用方法>
Excelデータです。
画像をクリックすると開きます。保存してご使用ください。
黄色いセルのみ編集可能です。
施工寸法「X(縦)」と「(横)」の数値を入力すると、施工に当たっての配置寸法が自動的に計算されますので、ぜひご活用ください。
※注意※ 大壁専用。重なりの施工には対応しておりません


↓参考画像計算ツール Excelをお持ちでない方はフリーソフト等をご利用下さい。
例:OpenOffice ダウンロードは自己責任でお願い致します。

このページの先頭へこのページの先頭へ